オナクラメンバーの殆んどの方が装着されているナビ。
私はつい最近までタンク上の小物ケースの蓋の上にナビを装着しておりました。
しかし、標準のマウントベースではやはり質感や配線の取り回し等で満足できません。
そこで、かばさんの持っておられたワンオフのアルミ製マウントベースを参考に、実寸法を計測して、ステンで新たに製作いたしました。
出来上がりは上々で、サインハウスのパーツを利用してスッキリと装着できました。
ナビ本体はカロのエアナビAVIC-T10 5.8インチですが揺れもほとんど気になりません。
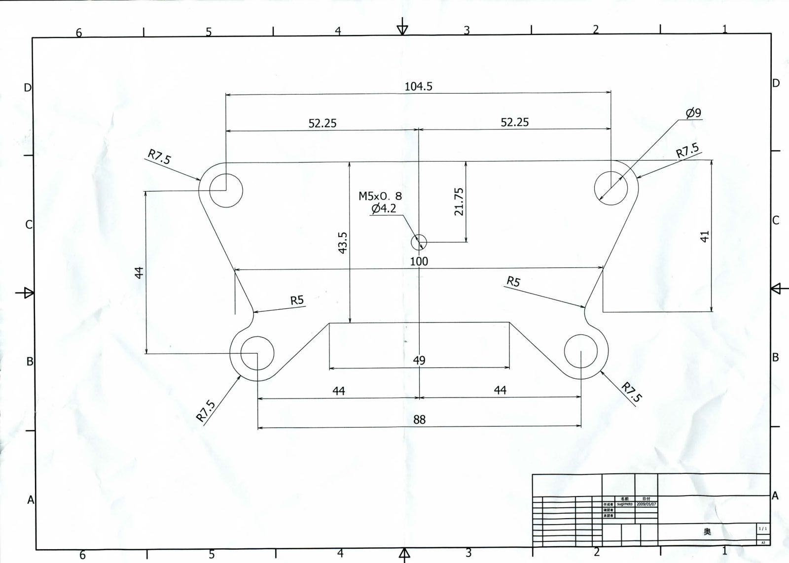
メンバーの方で自分も自作してみたいという場合には、ベースの図面をUPしておきますので利用されてみてはいかがでしょうか?
因みに実寸計測・図面化・製作は、友人が全ての作業を代行してくれました。
レーザーカットの為の費用は幾ら位必要なのか?私には判りません。
